您好,欢迎来到电力产业互联网! 登录 注册 [退出]
首页 > 发电及供热设备 > 排污及疏水设备 > 发电机密封油系统

发电机密封油系统

  • 价  格:
    ¥1000000.00
  • 品  牌:
    其他
  • 评  分:
    (5.0分)
  • 服  务:
    由 中国电力产业互联网 发货并提供售后服务。售前咨询电话:400-019-1119
  • 支付方式:
    货到付款 网上支付 银行转账
订货号 产品名称 品牌 预计出货日 现价 数量
对比
SN_FF6E1BE83155
发电机密封油系统 其他 当日出货 ¥155.00/双
  • 买了该产品的还买了
产品描述
采用氢气冷却的汽轮发电机必须由密封油对其端部进行密封,既保证发电机内部氢气不外泄,防止空气和潮气进入发电机。汽轮发电机,其密封油系统采用双流环式密封瓦结构,密封效果好,调节范围宽,是非常成熟的产品。但是如果对其结构不甚了解,操作不当也可能造成发电机内部进油事故。特别是在发电机内部无压的情况下,密封油箱油位不易控制,密封油极易沿轴向进入发电机内部。发电机内部进油是恶性事故,应该引起高度的重视。下面就对发电机密封油系统,发电机内部进油原因及防范措施做以介绍。[1] 

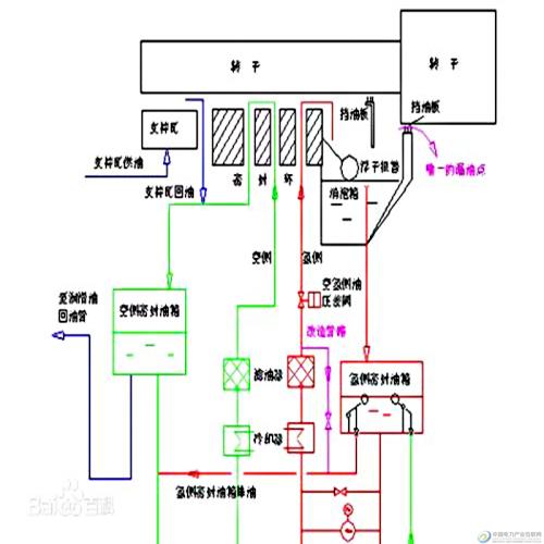
2密封油系统介绍

原理

密封油系统采用双流环式密封瓦。由于氢冷发电机的转子轴必须穿过发电机的端盖,因此这部分成了氢内冷发电机密封的关键。密封油分为空侧和氢侧两个油路将油供给轴密封瓦上的两个环状配油槽,油沿转轴轴向穿过密封瓦内径与转轴之间的间隙流出。如果这两个油路中的供油油压在密封瓦处恰好相等,油就不会在两个配油槽之间的间隙中窜流,通常只要密封油压始终保持高于机内气体压力,便可防止氢气从发 电机内逸出。空侧油路供给的油则将沿轴和密封瓦之间的间隙流往轴承侧,并同轴承回油一起进入空侧密封油箱,从而防止了空气与潮气侵入发电机内部。氢侧密封油则沿轴和密封瓦之间的间隙流往发电机内侧,落入消泡箱,最后回到氢侧密封油箱。

结构

空侧油路:由空侧交流密封油泵从空侧回油箱取得油源,将一部分油泵入油冷却器、滤油器注入密封瓦的空侧,另一部分油经过差压阀流回到油泵进油侧。通过差压阀将调节空侧密封油压力始终保持在高出发电机内气体压力0.084Mpa的水平上。另外空侧配有直流密封油泵备用。
氢侧油路:氢侧密封油路中的油泵从氢侧密封油箱取得油源。它把一部分油经过油冷却器、滤油器、平衡阀送往密封瓦的氢侧,在油泵旁装有再循环管道,通过再循环管上的节流阀对氢侧密封油压进行粗调。氢侧油路的油压则通过平衡阀进行细调,并使之自动跟踪与空侧密封油压差保持±0.49kPa,以达到基本平衡的目的。另外氢侧密封油设有两台交流油泵,正常运行中一台运行一台备用。
消泡箱:从密封瓦氢侧出来的油先流到消泡箱中,在那里气体得以从油中扩容逸出,消泡箱装于发电机下半端盖中,通过直管溢流装置使消泡箱中的油位不至于过高。消泡箱汽、励端个有一个。在消泡箱中各装有一个浮子式液位高报警器,当箱内油位过高到一定程度时,就发出消泡箱油位高报警,使运行人员能及时处理,从而防止密封油流入发电机内部(见图1)。
空侧密封油箱油位控制:空侧密封油箱通过U形管与主机润滑油回油管道连接,发电机端部支持轴承润滑油回油与空侧密封油回油汇集到空侧密封油箱,大部分油通过U形管依靠重力作用自动溢流到润滑油回油管路,保持油箱中油位正常,因此空侧密封油箱不需要进行油位监视,另一部分 油作为空侧密封油源在空侧油路中循环。此油路把润滑油系统与密封油系统联系在一起,即使密封油系统无油情况下,只要润滑油系统启动后十几秒针,就会将密封油系统注满油。
氢侧密封油箱油位控制:氢侧密封油箱是氢侧油路的储油箱,在运行中必须保持一定的油位。由于在密封瓦中空、氢侧油压做不到绝对的平衡,故空、氢侧仍有少量的油相互窜动,这样长期积累,就可能使氢侧油路中的油量发生增减变化,氢侧密封油箱起到控制补、排油作用。它主要依靠浮子式补、排油阀门完成,当油箱内油位升高,浮子上移,排油门打开,将多余的油排入空侧油路;当油箱内油位降低,浮子下移,补油门打开,空侧密封油向氢侧密封油箱补油,从而达到油位保持在一定范围内。密封油箱补油阀和排油阀上还设有强制开启、关闭手轮,以便人为参与调节油箱油位。密封油备用油源:空侧密封油备用油源由三部分组成,所以发电机密封油系统有非常可靠的油源,一般不会造成断油事故。
第一路备用油源是高压备用油源,即来自汽轮机轴头同轴的润滑油高压油泵或高压密封油泵,密封油装置高压备用密封油入口压力不低于0.9Mpa,正常运行时备用油差压调节阀自动断开,一旦空侧油源发生故障,密封油压力降低到比发电机内部压力高0.056Mpa时,备用油差压阀自动打开保持密封油压力比氢压高0.056Mpa。
第二备用油源为空侧直流密封油泵,如果主油源和高压备用油源都停止供油时,当密封油压力降低到比发电机内气体压力仅高0.035Mpa时,发出密封油供油压力低报警,并自动启动备用直流密封油泵,使密封油压力恢复并保持高于发电机内压力0.084Mpa。
第三备用油源为低压备用油源,它来自汽轮机低压润滑油。该油源入口压力应不低于0.2Mpa,由于这路油源压力较低,它只能保证大轴转动时密封瓦不发生磨损事故,所以当其它油源都失去后应立即停止机组运行,将发电机氢压降低到0.014Mpa以下,以免氢气外溢,发生着火、爆炸事故。[1] 
产品评价
产品咨询
  • 全部购买咨询
  • 产品咨询
  • 库存配送
  • 支付问题
  • 发票保修
  • 其它问题

温馨提示:以下回复仅供参考,由此给您带来不便敬请谅解。

温馨提示:以下回复仅供参考,由此给您带来不便敬请谅解。

温馨提示:以下回复仅供参考,由此给您带来不便敬请谅解。

温馨提示:以下回复仅供参考,由此给您带来不便敬请谅解。

温馨提示:以下回复仅供参考,由此给您带来不便敬请谅解。

温馨提示:以下回复仅供参考,由此给您带来不便敬请谅解。